
该系列产品又叫做低噪音筛分过滤机,是资深技术工程师设计的一种便于移动、高效率、低噪音、小体积的小型振动筛分过滤机。尤其适用于杂质含量较少的粉末筛分与浆液过滤。
产品特点
1.上部筛框可以轻松拿下来,倒除不过筛网的杂质非常方便。
2.物料直接排出,筛机里面无死角,不产品二次污染。
3.采用内V式压网方式,拆换筛网比较方便。
4.可以加尼龙刹车轮,移动非常方便。
5.加有防水罩,防止电机遇水。
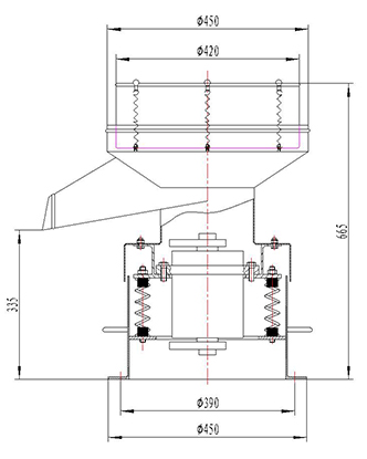
450型过滤筛采用新型立式振动电机为振动源,立式振动电机上、下端装有偏心重锤,可产生水平、垂直、倾斜的三次元运动,激振力通过接料盘传递到筛框及物料上以达到优良分级。通过调节上、下偏心重锤的相位角,可改变物料在筛面上的运动轨迹,保证物料充分分级。
结构组成

450型过滤机由机体、振动、下料斗、筛筐、电控等构成。该机采用新型振动结构,振动稳,效率高;筛筐操作简单,清洗方便,换网容易。该机外观新颖,结构合理,使用方便,更适合常更变工作地点的场合使用。
换筛网方式
先把筛框从接料盘上取下,放松压网螺栓,取走需要更换的筛网,然后将新筛网平铺在筛框上,并放上网架,四周拉平(忌过紧),沿压网圈留一公分,穿上压网螺栓并拧紧,**后剪去多余筛网。
序号 | 名称 | 单位 | 数值 |
1 | 直径 | mm | Φ450 |
2 | 功率 | Kw | 0.18 |
3 | 噪音 | db | ≤50 |
4 | 外形尺寸 | mm | 460*550*665 |
5 | 电源 | V | 380V |
6 | 振幅 | mm | 2-5mm |

选型须知
根据您的物料名称,每小时的产量,所需的网目,物料比重即可选型,尽快联系我们吧!如果您是初次购买,联系我们,我们将免费提供顾问式的服务,为您选择合适的产品。

根据客户上下游产品及现场空间,修改设备尺寸,定制设备结构,满足客户需求。
公司从事筛分及输送设备20年,20年以上工作经验的工程师2名,给客户提供专业的建议和设备解决方案。
设备的质量,在原材料采购阶段已经决定,所以我们有严格的采购体系和质检体系,关注源头细节。
公司建立了完善客户回访体系和售后服务体系,售后团队响应及时,省内24小时奔赴现场,省外72小时奔赴现场。
源头设备生产厂家,无中间环节,价格公正合理,让客户获得实实在在的利益,获得更多的增值服务。
合作只是起点,服务没有终点,一次合作,终身朋友。凡购买恒宇公司的设备,提供终身的技术支持和设备维修服务。
使用过程中,如有任何疑问可随时致电或在线咨询。0373-5712316
